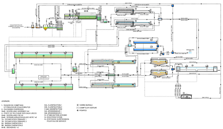
Mostaganem – Bidding design

Client

UNIECO Società Cooperativa, CMB – Cooperativa Muratori & Braccianti Di Carpi (MO), CMC – Cooperativa Muratori & Cementisti (RA) – Italy

Year

2012

Work amount:

€ 40.000.000,00

Bidding design “Study of execution, realization and management of the wastewater treatment plant of the city of Mostaganem” (Algeria) – P.E. 350.000