Committente
Cooperativa Muratori & Cementisti C.M.C di Ravenna (committente privato)
Anno
2012
Importo lavori
€ 12.000.000,00
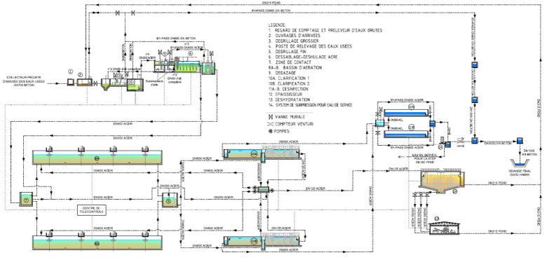
Progettazione definitiva per la redazione della documentazione tecnica finalizzata alla partecipazione alla gara di appalto per l’impianto di trattamento di Mohammadia (Algeria).
Numero di abitanti equivalenti dell’impianto di depurazione N a.e. = 95.000
